fnohasggaj

聯系電話 +852-75135164

  1. 首頁
  2. 新聞中心
  3. 産品新聞
  4. 簡擺型颚式破碎機的結構

簡擺型颚式破碎機的結構

作者:紅星機器 發布時間:2009-07-05 00:00:00 更新時間:2018-11-14 00:00:00

立即咨詢

立即咨詢了解設備報價及服務,工廠直銷,享優惠折扣價!

颚式破碎機和簡擺型颚式破碎機都是比較常見、用途廣泛的效能高破碎機,均具有結構簡單、操作方便、節能降耗、破碎比大、破碎效率高等特點,因此在市場上得到一緻認可和肯定。本文主要對颚式破碎機和簡擺颚式破碎機結構進行闡述。

颚式破碎機

颚式破碎機結構

颚式破碎機通用結構定颚、動颚上都裝有襯闆,襯闆上有齒牙,有助于破碎物料。襯闆的作用是防止定颚、動颚受到磨損。心軸的兩端由軸承支承,其上安有連杆。連杆的連杆頭與杆身分開制造。電動機通過V帶帶動帶輪及偏心軸。在連杆下方的凹槽中,裝有推力闆支座,前推力闆及後推力闆分别支承于支座上。偏心軸除在一端安有帶輪外,在另一端安裝飛輪。

破碎腔的側壁上安有用螺釘或楔條固定的錳鋼側襯闆。固定颚襯闆除用螺釘固定外,下端在機架上焊有鋼闆,上端有壓闆,使固定颚襯闆不緻上下活動。動颚襯闆下方支承在動颚下部的凸台上,上方由楔鐵壓緊。

颚式破碎機結構圖

在後推力闆與後支座之間,有一組墊闆,用來調整排料口寬度。增加墊闆厚度,使推力闆和動颚向左方推移,排料口減小。反之,減少墊闆厚度,排料口将增大。為了防止破碎機超負荷運行導緻破碎機損壞,在零件設計計算時,将後推力闆制成薄弱的一個環節,過負荷時使它首先折斷,以保護軸承及機器其他部分不受損害。通常後推力闆用鑄鐵制成,并在中間鑽孔或切槽來減小其斷面尺寸,過載時它們首先折斷。這種保險裝置的缺點是出現事故後處理較為複雜,停車時間較長。

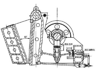
簡擺型颚式破碎機結構

液壓型簡擺颚式破碎機結構(見圖1-3) 該型簡擺颚式破碎機的排料口、保險裝置均由液壓系統組合而成。液壓調節排料口裝置,利用液壓油缸和柱塞來調節排料口的寬度,用手動油泵或電動油泵向液壓缸供油。柱塞按要求将推力闆推到所需位置後,插入墊闆。在機器工作時,墊闆承受後推力闆的壓力,而柱塞及液壓油缸不再承受壓力。

該型颚式破碎機有液壓保險裝置,液壓連杆裝置,這種連杆上有一個液壓油缸和活塞,油缸與連杆上部(連杆頭)連接,活塞與連杆下部(推力闆支座)連接。正常工作時,油缸内充滿壓力油,活塞與油缸相當于整體連杆的一部分。當非破碎物進入破碎腔時,作用于連杆的拉力增加,油缸下部油室的油壓随之增加。若油壓超過組合閥内的高壓溢流間所規定的壓力時,壓力油将通過高壓溢流閥排出,活塞及推力闆停止動作,動颚不擺動,從而起到保險作用。

 

液壓簡擺型颚式破碎機 
圖 1-3 液壓簡擺型颚式破碎機

紅星機器是專業的颚式破碎機廠家,生産有各種類型的颚式破碎機、簡擺颚式破碎機,型号齊全、質量可靠、價格低廉,歡迎大家前來咨詢選購!

河南鄭州颚式破碎機價格詳細垂詢:+852-75135164

想了解設備資料?報價?售後?請留言,速回電

廠家直銷,留言立享本月優惠價

免費提供環保政策、辦廠手續、投資預算等資料

  • 量身定制高性價比生産方案
  • 到廠考察設備,就近參觀客戶現場
  • EPC項目總承包服務,全權負責建廠
今日已有 23 人留言享受優惠報價
  • 3分鐘前 高先生:時産200噸制砂機報個價,處理鵝卵石

  • 8分鐘前 李先生:移動式破碎機怎麼解決粉塵問題?

  • 13分鐘前 徐女士:需要制砂機,南甯能看制砂現場嗎?

  • 16分鐘前 程先生:破碎生産線出個方案及報價,有什麼售後服務?

  • 22分鐘前 鄭女士:想了解時産500噸錘破,加工石灰石

  • 31分鐘前 吳先生:成套石頭破碎設備有嗎?給個詳細産品資料

  • 36分鐘前 羅先生:每小時100噸左右的鄂破和反擊破,推薦下型号

  • 42分鐘前 梁先生:膨潤土磨到200目,用什麼磨粉設備?

提交留言我們會第一時間回複您!

相關新聞

  • 大理石破碎機械設備推薦_大理石破碎生産線價格

    大理石是一種硬度比較高的礦石,化學性質較穩定,經破碎加工之後符合建築用砂的标準,是一款比較受歡迎的機制砂原料,那麼加工大理石需要用到哪些破碎設備呢?整條大理石破碎生産線的價格是多少?且看下文詳細介紹。

    2020-09-12
  • 大型沖擊式制砂機哪家好?附價格及圖片

    大型沖擊式制砂機是新型的制砂設備,也是機制砂行業中比較受歡迎的設備,今天就來給大家推薦一個好的大型沖擊式制砂機生産廠家,順便附上價格和設備的高清大圖。

    2020-09-09
  • 時産200噸的破碎生産線配置大解析_附現場高清大圖

    我國基礎設施建設的不斷推進,公路、鐵路、建築等各種工程項目如火如荼的進行着,使得砂石行業的發展也達到了一個高峰,越來越多的人把目光放到了砂石行業。近段時間,來我司咨詢破碎生産線配置的人也是越來越多,既然如此,今天就拿時産200噸的破碎生産線來給大家打個樣,介紹一下破碎生産線相關信息。

    2020-09-01
  • 颚式破碎機型号大全 提供價格及技術參數表

    颚式破碎機簡稱颚破、鄂破機,又名老虎口,由動颚和靜颚兩塊颚闆組成破碎腔,兩颚運動而完成物料破碎作業,主要處理各種礦石與大塊物料,設備型号大全,産量1-1160噸/每小時,其價格在1-90萬元左右,下面提供詳細技術參數表及工作視頻。

    2020-05-30
  • 鄭州颚式破碎機生産廠家

    用戶在選購颚式破碎機時,首先要多考察幾家廠家,全方面來考察該廠家的實力,信譽,規模等等,河南鄭州鄂式破碎機廠家衆多,用戶在選擇颚式破碎機械的時候要注意看廠家的實力,信譽,規模;其次要看廠家的産品質量,技術水平,成熟程度等等。

    2018-05-08
  • 鄂破機

    鄂破機為擠壓型破碎設備,廣泛應用在礦山石料破碎生産當中,為保證鄂破機的正常工作,除正确操作外,必須進行計劃性維修,其中包括日常維護檢查,小修、中修和大修,以下是紅星為您總結的鄂破工作原理、性能特點和使用維護要點。

    2011-01-23
power by 在线观看91精品国产麻豆 2025-12-16 21:53:29