想了解設備資料?報價?售後?請留言,速回電
廠家直銷,留言立享本月優惠價免費提供環保政策、辦廠手續、投資預算等資料
bqrlwfmrzs
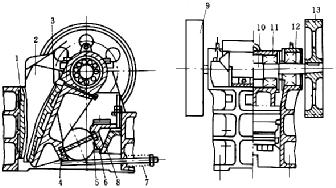
複擺型颚式破碎機是在颚式破碎機基礎上研發生産的新型破碎機,其結構如圖1-4所示,帶有襯闆的動颚通過滾動軸承直接懸挂在偏心軸上。而偏心軸又支承在機架的滾動軸承上。動颚的底部用推力闆支撐在位于機架後壁的推力闆座上。出料口的調節裝置,是利用調節螺栓來改變楔鐵的相對位置,從而使出料口的寬度得以調節。和簡擺型颚式破碎機一樣,具有拉杆、彈簧及調節螺栓組成的拉緊裝置。由電動機帶動帶輪使偏心軸轉動,動颚就被帶動作複雜擺動,實現粉碎物料動作。

圖1-4複擺型颚式破碎機
1-定颚(襯闆);2-側襯闆;3-動颚(襯闆);4-推力闆支座;5-推力闆;
6-推力闆座;7-調節裝置;8-後斜鐵;9-飛輪;10-偏心軸;11-軸承;12-機架;13-帶輪

圖1-5颚式破碎機動颚的運動軌迹
複擺型颚式破碎機結構簡單、優勢突出,可對河卵石、石英石、輝綠岩、石膏、煤炭、鐵礦石、銅礦石、焦炭、建築垃圾等近千種物料進行破碎處理,因此被廣泛應用于建材、建築、水泥、水利、公路、鐵路、煤礦、環保、冶金等諸多領域。
.jpg)
總之,複擺型颚式破碎機在破碎機行業擁有較高市場地位,如果您想了解複擺型颚式破碎機價格詳情,可随時撥打免費熱線(+852-55648665)進行咨詢。
上一篇:回轉窯結構、參數、分類及應用
下一篇:錘式破碎機工作原理及類型
想了解設備資料?報價?售後?請留言,速回電
廠家直銷,留言立享本月優惠價免費提供環保政策、辦廠手續、投資預算等資料
3分鐘前 高先生:時産200噸制砂機報個價,處理鵝卵石
8分鐘前 李先生:移動式破碎機怎麼解決粉塵問題?
13分鐘前 徐女士:需要制砂機,南甯能看制砂現場嗎?
16分鐘前 程先生:破碎生産線出個方案及報價,有什麼售後服務?
22分鐘前 鄭女士:想了解時産500噸錘破,加工石灰石
31分鐘前 吳先生:成套石頭破碎設備有嗎?給個詳細産品資料
36分鐘前 羅先生:每小時100噸左右的鄂破和反擊破,推薦下型号
42分鐘前 梁先生:膨潤土磨到200目,用什麼磨粉設備?
提交留言我們會第一時間回複您!
磷灰石磨粉多采用紅星機器生産的磷灰石球磨機,該設備是引進日本先進的球磨技術,并結合國内磷灰石分布情況及特點所研發生産的一款球磨機。該設備工藝先進、結構性能好,而且價格非常經濟合理,因此在磷灰石加工業受到一緻的認可和稱贊。那麼磷灰石球磨機擁有哪些性能優勢呢?其價格又是多少呢?下面我們一起來看。
2016-08-04用于煤矸石研磨的設備主要是煤矸石球磨機,目前市場生産該設備的廠家不計其數,價格及優勢參差不齊,令許多投資者眼花缭亂,不知如何抉擇,接下來,針對煤矸石球磨機的價格及優勢這兩點内容為大家詳細分析這款設備。
2016-07-16複擺颚式破碎機是一種常見的傳統的破碎設備,複擺颚式破碎機的效率高源于其合适的參數,如鉗角、動鄂水平行程、傳動角、偏心距等。本文就來介紹這些主要參數的計算方法。
2013-01-17複擺細碎颚式破碎機是一種新型節能的破碎設備。影響其工作效率有多種因素,其中偏心軸的轉速就是比較重要的一個影響因素。目前細碎颚式破碎機的偏心軸轉速普遍偏低,為了提高偏心軸轉速,強化細碎作用,并保證粒度軍均勻,就需要知道偏心軸轉速的計算方法。
2013-01-16在生産中,為了提高破碎機的生産能力,減少齒闆磨損,降低能耗,降低機械負荷,動颚的垂直行程要小,水平行程要大。動颚的行程與破碎機的結構參數有關,因此需要對破碎機的結構參數進行優化設計。
2013-01-13細碎颚式破碎機是一種新結構的颚式破碎機,這種破碎機适用于中、小型礦山、建材、築路、矽酸鹽和化學工業等部門破碎物料。細颚式破碎機的結構和工作原理特點如下所示
2012-11-30