想了解設備資料?報價?售後?請留言,速回電
廠家直銷,留言立享本月優惠價免費提供環保政策、辦廠手續、投資預算等資料
sswnvuqpka
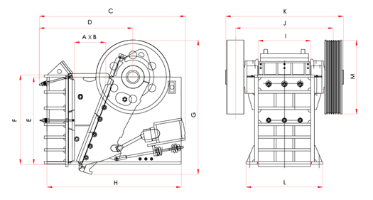
根據相關部門的統計,我國目前的破碎設備制造廠家已達一百多家,尤其是颚式破碎機的制造在國内的破碎設備生産中占有很大的比例,與此同時國内生産的颚式破碎機品種規格也逐漸豐富,目前已達有20餘個,颚式破碎機的年産量已達一萬餘台,并且随着市場需求的不斷增加,該數字還有上升的趨勢。
.jpg)
國内破碎機成産廠家所生産的破碎機機架結構樣式也多種多樣,這其中也有些廠家生産的颚式破碎機的機械構架不夠合理,不能夠滿足生産強度的需求,設備的使用壽命也不能達到預期效果,間接的造成了資源的浪費。這類問題出現的原因是由于該生産廠家的機械設計原理不夠創新,不能夠與時俱進,還停留在傳統的設計制造方法中,不能與現在的生産環境和生産需求相結合。目前國内颚式破碎機的機重普遍高于國外同規格的破碎機,正如我們所知機架又是整個鄂式破碎機零部件的安裝基礎,其重量在整機中占有很大的比例,而且在破碎機的加工制造過程中其工作量也較大,所以機架結構設計不合理是使颚式破碎機機體重量增加的主要原因。

紅星機器對于雙腔颚式破碎機機架的受載特性也進行了深入的研究,并獲得了巨大的理論成果,這也将對我公司該設備結構設計具有重要的指導意義,而經過優化之後的颚式破碎機的結構不但可以使機架滿足機器正常的工作要求,而且可以限度地節約制作材料,節約制造成本。另外,我公司的研究人員還利用有限元分析軟件對颚式破碎機的機架進行準确的受載特性仿真研究,将為雙腔颚式破碎機機架的設計開辟一條新途徑,即基于虛拟仿真的設計方法。
上一篇:超導磁選設備得到應用及發展
下一篇:破碎理論的研究意義
想了解設備資料?報價?售後?請留言,速回電
廠家直銷,留言立享本月優惠價免費提供環保政策、辦廠手續、投資預算等資料
3分鐘前 高先生:時産200噸制砂機報個價,處理鵝卵石
8分鐘前 李先生:移動式破碎機怎麼解決粉塵問題?
13分鐘前 徐女士:需要制砂機,南甯能看制砂現場嗎?
16分鐘前 程先生:破碎生産線出個方案及報價,有什麼售後服務?
22分鐘前 鄭女士:想了解時産500噸錘破,加工石灰石
31分鐘前 吳先生:成套石頭破碎設備有嗎?給個詳細産品資料
36分鐘前 羅先生:每小時100噸左右的鄂破和反擊破,推薦下型号
42分鐘前 梁先生:膨潤土磨到200目,用什麼磨粉設備?
提交留言我們會第一時間回複您!
襯闆是否設計合理,對球磨機的粉磨效率、使用壽命有很大的影響。現在大多數廠家生産的球磨機襯闆使用壽命較短,磨耗較高。因此紅星機器決定從襯闆結構參數上進行優化改進。
2015-03-14随着石灰窯在鋼鐵行業應用逐步推廣,我們對傳統的石灰窯設備進行了優化設計,本文就新型石灰窯的優化設計及其應用優勢進行分析總結。
2015-03-01在生産中,為了提高破碎機的生産能力,減少齒闆磨損,降低能耗,降低機械負荷,動颚的垂直行程要小,水平行程要大。動颚的行程與破碎機的結構參數有關,因此需要對破碎機的結構參數進行優化設計。
2013-01-13破碎機主要通過激振器使振動梁産生高頻振動,帶動破碎錘頭對路面進行破碎。振動梁的錘頭端振幅對于破碎效果重要,因此對其進行優化設計可提高破碎機的工作效率和破碎效果。
2012-12-25對于颚式破碎機目前的工作狀态,我們有必要對于傳統颚式破碎機的整體結構和設備功能進行進一步的優化設計,颚式破碎機的優化設計改造主要是為了更好地實現層壓破碎
2012-10-13為了優化圓錐破碎機的腔型結構,我們在研究過程中,需要對于整機的生産率以及産品的粒度分布的模型都一起被考慮。根據以上所有的結論,在多目标優化模型中應該有三個目标函數。
2012-09-29